振動篩12年生產廠家
過濾,除雜,分級

3電機功率:kw
2-500篩網面積:(目)
1960有效直徑:(mm)
適合各種粉料和漿液小批量的生產使用,該機體積小方便移動

全國統一銷售熱線

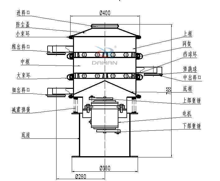
400型全不銹鋼振動篩為400mm直徑兩層三個出料口不銹鋼旋振篩,整機為不銹鋼材質,廣泛應用于醫藥行業中的藥粉的篩分,適合各種粉料和漿液小批量的生產使用,該機體積小方便移動。




振動篩由直立式振動電機作為激振源,電機上、下兩端安裝有偏心重錘,將電機的旋轉運動轉變為水平、垂直、傾斜的三次元運動,再把這個運動傳遞給篩面進行篩分。調節上、下兩端的相位角,可以改變物料在篩面上的運動軌跡。



☆ 效率高、設計精巧耐用,粉類、粘液均可篩分。
☆ 換網容易、操作簡單、清洗方便。
☆ 網孔不堵塞、粉末不飛揚、可篩至400目或0.028mm。
☆ 雜質、粗料自動排出,可以連續作業。

化工行業:樹脂、涂料、工業藥品、化妝品、油漆、中藥粉等。
食品行業:糖粉、淀粉、食鹽、米粉、奶粉、豆漿、蛋粉、醬油、果汁等。
金屬、冶金礦業:鋁粉、鉛粉、銅粉、礦石、合金粉、焊條粉末、二氧化錳、電解銅粉、電磁性材料、研磨粉、耐火材料、高嶺土、石灰、氧化鋁、重質碳酸鈣、石英砂等。
公害處理:廢油、廢水、染整廢水、助劑、活性碳等。
Copyright ? 2007-2019 振動篩廠家-新鄉市大漢振動機械有限公司 | All Rights Reserved 版權所有
備案序號:豫ICP備09002479號-1