振動篩12年生產廠家
過濾,除雜,分級

30噸/時產量:
140目篩分目數:
0.75kw電機功率:

全國統一銷售熱線

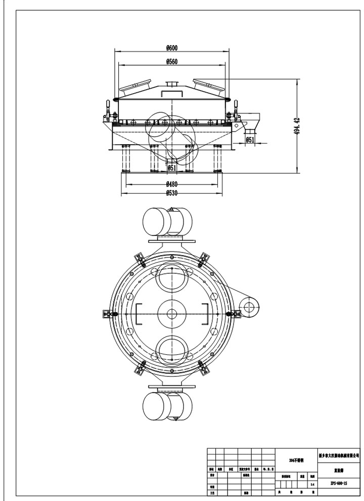
快速拆卸直排篩又叫快拆直排篩,就是可以快速拆開和卸下配件,并進行更換的直排篩,整個拆卸過程只需要5分鐘就可完成,可大大節約成本和人力。

1. 采用法蘭板扣固定,操作方便,可隨時拆卸;
2. 維修快捷,可快速拆卸,更換篩網,只需5分鐘。
3. 除雜產量大,是普通圓篩的2-5倍,產量可大30噸/時
4. 采用垂直上下料,物料快速過網,在篩機中停留時間短,出料迅速。

快速拆卸直排篩工作時,物料從進料口位置進入篩機內,在篩面上做水平,垂直,傾斜的三次元運動,并快速過網,從出料口排出。

| 型號 | 功率 | 篩面直徑mm | 有效面積㎡ | 體積mm |
| ZPS-600 | 0.18 | 520 | 0.2124 | 740*600*560 |
| ZPS-800 | 0.25 | 720 | 0.4072 | 1010*800*600 |
| ZPS-1000 | 0.37 | 890 | 0.6221 | 1200*970*640 |
| ZPS-1200 | 0.55 | 1090 | 0.9331 | 1430*1170*700 |
| ZPS-1500 | 0.75 | 1390 | 1.5175 | 1780*1470*760 |
快速拆卸直排篩常用于140目內面粉、淀粉、奶粉、洗衣粉、金屬粉、添加濟、化工、非礦等行業顆粒、粉末的粗略篩分。
